
Detaljert produktbeskrivelse
| Fordel: | Høy hastighet | Merking hastighet: | 60-200 stk / min |
|---|---|---|---|
| Funksjon: | Selvklebende klistremerkemerking | Materiale: | Rustfritt stål |
| Flaske Type: | Automatisk rund flaskemerkekrukke | Applikasjon: | For alle slags runde containere |
| Plc Merke: | MITSUBISHI (Japan) | Servomerkingsmotor: | DELTA (Taiwan) |
rødvin merkemaskin glass vinflaske merkemaskin, PLC kontrollsystem MITSUBISHI merke merkemaskin
Egenskaper:
1. Drift: PLC-kontrollsystem gjør merkemaskinen enkel å betjene
2. Materiale: Merkemaskinens hoveddel er laget av SUS304 rustfritt stål
3. Konfigurasjon: Merkingsmaskinene våre vedtar kjente japanske, tyske, amerikanske, koreanske eller Taiwan merkevaredeler
4. Fleksibilitet: Kunden kan velge å legge til skriver og kodemaskin; kan velge å koble til converyer eller ikke.
Tekniske parametere:
| Navn | Automatisk rund vinflaske for merking av hurtigflaskehylse |
| Merkingshastighet | 60-350 stk / min |
| Objektets høyde | 30-350mm |
| Tykkelse på objektet | 20-120mm |
| Merkets høyde | 5-180mm |
| Lengde på etiketten | 25-300mm |
| Etikettrulle innvendig diameter | 76mm |
| Etikettrulle utenfor diameter | 420mm |
| Nøyaktighet ved merking | ± 1mm |
| Strømforsyning | 220V 50 / 60Hz 3,5KW |
| Gassforbruk av skriver | 5 kg / m2 (hvis legg til kodemaskin) |
| Størrelse på merkemaskin | 2800 (L) × 1650 (B) × 1500 (H) mm |
| Vekt på merkemaskin | 180 kg |
Konfigurasjon
| Nei. | Del | merke | mengde |
| 1 | PLC | MITSUBISHI (Japan) | 1 |
| 2 | Hovedkonverterer | DANFOSS (Danmark) | 1 |
| 4 | HMI | WEINVIEW (Taiwan) | 1 |
| 5 | Servomerkingsmotor | DELTA (Taiwan) | 1 |
| 6 | Servomerking motorfører | DELTA (Taiwan) | 1 |
| 7 | Transportørmotor | HY (Taiwan) | 1 |
| 8 | Transportbånd girkasse | HY (Taiwan) | 1 |
| 9 | Delende flaskemotor | GPG (Taiwan) | 1 |
| 10 | Delende flaske motor girkasse | GPG (Taiwan) | 1 |
| 11 | Flaske som skiller motorhastighetsregulatoren | GPG (Taiwan) | 1 |
| 12 | Snakket motor | GPG (Taiwan) | 1 |
| 13 | Eikemotor girkasse | GPG (Taiwan) | 1 |
| 14 | objekt oppdage magisk øye | OMRON (Japan) | 1 |
| 15 | optisk fiber | OMRON (Japan) | 1 |
Maskindetaljer:

32 hoveddeler for merking av maskiner

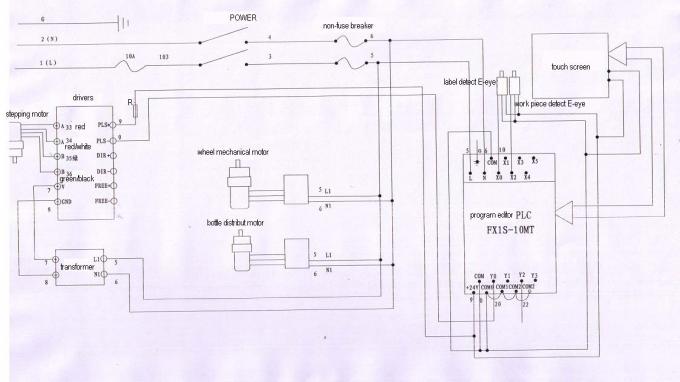
Kretsskjema

FAQ:
1 etikett får bobler
Grunner:
① å skrelle av brettet er ikke bra / ikke flatt;
② plogbrettet er ikke bra / ikke flatt;
Output merkeutgangen er for rask eller monteringslinjens hastighet er for lav;
④ etiketten er trukket for løs
Løsninger:
① skift et flatt flass av brettet;
② skift et flatt plogbrett;
Senk merkingsutgangshastigheten eller øke monteringslinjens hastighet;
④ støt etikettbelte ordentlig.
Stikkord: industriell merkemaskin, glassflaske merkemaskin









